解決方案
SOLUTION
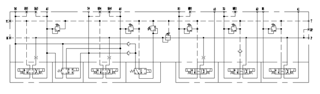
全地面起重機液壓閥組
2018-09-20
首頁 > 解決方案 > 配套產品 > 液壓閥
項目名稱:
全地面起重機液壓閥組
詳情介紹
超起機構閥組:用于超起卷揚、超起卷揚鎖銷、超起卷揚張緊及超起變幅等機構動作的控制。
??? The valve assembly is used for the control of superlift, superlift lockpin, superlift tensioning and superlift luffing and so on.


工作壓力:? 280 bar
工作流量:?110 L/min;